Опора клиновая 140 ОСТ2 Р79-1-78
Оставить отзыв| Масса, кг | 22,35 кг |
| b, мм | 52 мм |
| l мм | 180 мм |
| L, мм | 375 мм |
| B, мм | 140 мм |
| H, наибольшая, мм: | 108 мм |
| H, наименьшая, мм: | 100 мм |
| Грузоподъемность кгс | до 7500 кгс |
Описание
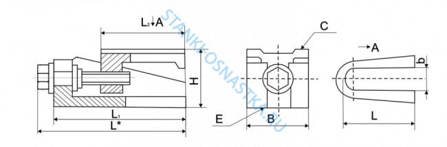
Опоры клиновые регулируемые 140 ОСТ2 Р79-1-78 предназначены для установки станков, прессов и других изделий с заливкой в фундамент. Пример условного обозначения опоры клиновой регулируемой с размером В=140 мм и пазом b=52 мм
Технические требования:
- Допуск параллельности поверхности С относительно поверхности Е не более 0,1 мм.
- Взаимно прилегающие поверхности основания и клина проверить в сборе на контактное прилегание по краске. Контакт поверхностей должен быть равномерным.
- Маркировать обозначение опоры и товарный знак предприятия-изготовителя по ГОСТ 2.314 — 68. Основные параметры и размеры опор должны соответствовать указанным на чертеже и в таблице.
| Характеристики | Параметры |
|---|---|
| Масса, кг: | 22,35 |
| L, мм: | 375 |
| B, мм: | 140 |
| l, мм: | 180 |
| b, мм: | 52 |
| L1, мм: | 350 |
| L2, мм: | 240 |
| H, наибольшая, мм: | 108 |
| H, наименьшая, мм: | 100 |
| Грузоподъемность, кгс: | до 7500 |
Характеристики
| Масса, кг | 22,35 кг |
| b, мм | 52 мм |
| l мм | 180 мм |
| L, мм | 375 мм |
| B, мм | 140 мм |
| H, наибольшая, мм: | 108 мм |
| H, наименьшая, мм: | 100 мм |
| Грузоподъемность кгс | до 7500 кгс |
Опора клиновая 140 ОСТ2 Р79-1-78 отзывы
Об этом товаре отзывов пока нет. Будьте первым!











