Тиски станочные пневматические с гидравлическим усилием 7201-0020-02 (250мм) чугун, Бар.
Оставить отзыв| Высота виброопоры H, мм | 80 мм |
| Масса, кг | 120 кг |
| b, мм | 22 мм |
| Длина, мм | 790 мм |
| Ширина, мм | 338 мм |
| Высота, мм | 240 мм |
| B, мм | 250 мм |
| S, мм | 22 мм |
| H1, мм | 6 мм |
| Ширина губок, мм | 250 мм |
| Ход губки A, не менее, мм | 320 мм |
| Ход губки А1, мм | 6 мм |
| Длина квадрата силового винта 1, мм | 45 мм |
| Давление сжатого воздуха номинальное, МПа | 0,63 |
| Усилие зажима H, при номинальном давлении +10% | 50000 |
Описание
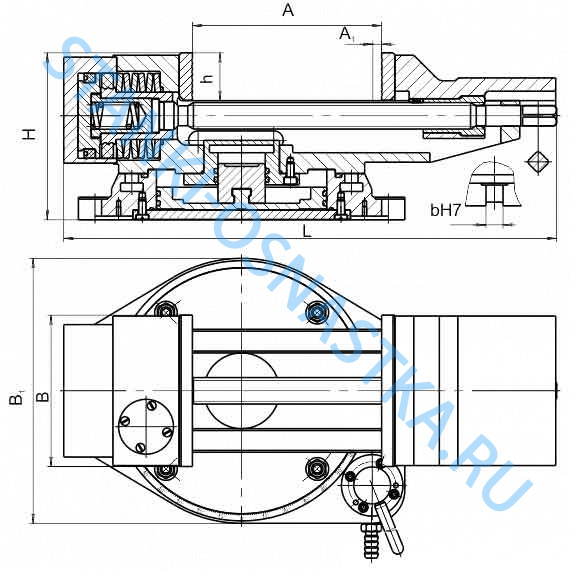
Тиски станочные пневматические с гидравлическим усилением 7201-0020-02 предназначены для закрепления деталей при механической обработке металлов резанием на фрезерных, строгальных, сверлильных и других станках.
Технические характеристики:
| Параметры, единицы измерения | 7201-0020-02 |
|---|---|
| Ширина губок B, мм | 250 |
| Ход губки А, мм | 320 |
| Ход губки A1, мм | 6 |
| Высота зажима h, мм | 80 |
| Усилие зажима H, при номинальном давлении +10% | 50000 |
| Глубина шпоночного паза h1, мм | 6 |
| Ширина шпоночного паза b, мм | 22Н7 |
| Сторона квадрата силового винта S, мм | 22 |
| Длина квадрата силового винта 1, мм | 45 |
| Давление сжатого воздуха номинальное, МПа | 0,63 |
| Длина L, мм | 790 |
| Ширина B1, мм | 338 |
| Высота H, мм | 240 |
| Масса, кг | 120 |
Характеристики
| Высота виброопоры H, мм | 80 мм |
| Масса, кг | 120 кг |
| b, мм | 22 мм |
| Длина, мм | 790 мм |
| Ширина, мм | 338 мм |
| Высота, мм | 240 мм |
| B, мм | 250 мм |
| S, мм | 22 мм |
| H1, мм | 6 мм |
| Ширина губок, мм | 250 мм |
| Ход губки A, не менее, мм | 320 мм |
| Ход губки А1, мм | 6 мм |
| Длина квадрата силового винта 1, мм | 45 мм |
| Давление сжатого воздуха номинальное, МПа | 0,63 |
| Усилие зажима H, при номинальном давлении +10% | 50000 |
Тиски станочные пневматические с гидравлическим усилием 7201-0020-02 (250мм) чугун, Бар. отзывы
Об этом товаре отзывов пока нет. Будьте первым!




