Тиски станочные неповоротные 7200-0203-02 (80мм) сталь, Бар.
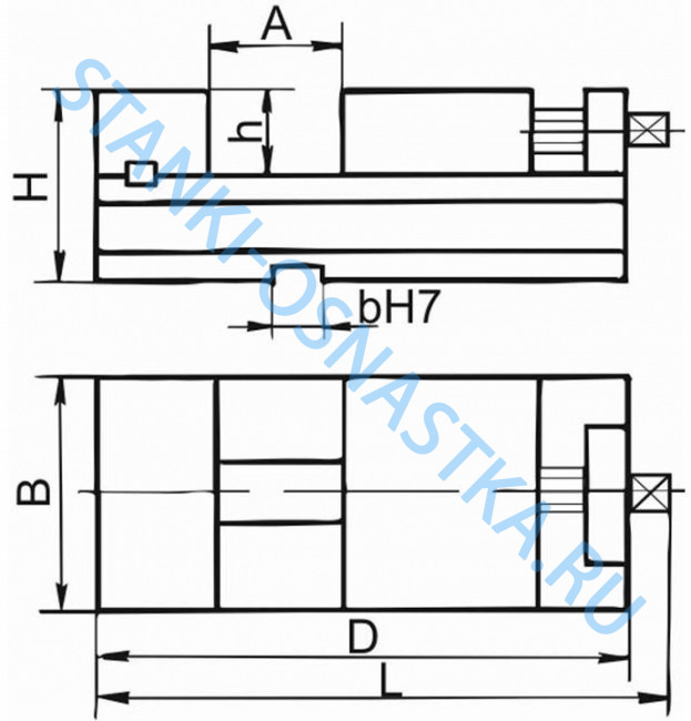
Оставить отзыв| Высота виброопоры H, мм | 30 мм |
| b, мм | 12 мм |
| A, мм | 50 мм |
| H, мм | 65 мм |
| D, мм | 190 мм |
| Ширина губок, мм | 80 мм |
Описание
Тиски станочные неповоротные 7200-0203-02 (80мм) предназначены для закрепления заготовок при механической обработке на металлорежущих станках. Конструкция неповоротных тисков позволяет производить установку нескольких тисков рядом друг с другом, а также на три взаимно перпендикулярные опорные поверхности (нижнюю, боковую, торцевую). Тиски изготовлены из закаленной легированной стали. Высокая твердость рабочих поверхностей обеспечивает долговечность тисков с сохранением точности.
Технические характеристики:
| Параметры, единицы измерения | 7200-0203-02 |
|---|---|
| В, мм | 80 |
| А, мм | 50 |
| h, мм | 30 |
| b, мм | 12Н7 |
| H, мм | 65 |
| D, мм | 190 |
Характеристики
| Высота виброопоры H, мм | 30 мм |
| b, мм | 12 мм |
| A, мм | 50 мм |
| H, мм | 65 мм |
| D, мм | 190 мм |
| Ширина губок, мм | 80 мм |
Тиски станочные неповоротные 7200-0203-02 (80мм) сталь, Бар. отзывы
Об этом товаре отзывов пока нет. Будьте первым!




