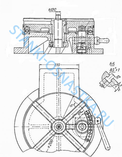
Стол поворотный 7400-0266 ф500мм
Оставить отзыв| Масса, кг | 450 кг |
| Длина, мм | 795 мм |
| Ширина, мм | 920 мм |
| Высота, мм | 320 мм |
| Число Т-образных радиальных пазов | 8 |
| Ширина Т-образных пазов, мм | 18Н9 мм |
| Наибольший диаметр сверления, мм | 12 мм |
| наибольшая допустимая масса обрабатываемой детали | 100 кг |
| Цена деления отсчета углов поворота планшайбы на минутном лимбе | 2 мин |
| Точность углового позиционирования планшайбы стола | 10 с |
| Диаметр рабочей поверхности планшайбы | 500 мм |
| Цена деления отсчета углов поворота планшайбы на планшайбе | 1 град. |
| Наибольший угол поворота планшайбы | 360 град. |
| Наибольший угол наклона планшайбы | 90 град. |
| Расстояние от основания стола до оси планшайбы (при ее наклоне на 90 град.) | 255 мм |
| Цена деления отсчета углов наклона планшайбы на лимбе грубого отсчета | 1 град. |
| Цена деления отсчета углов наклона планшайбы на минутном лимбе | 2 мин |
| Цена деления отсчета углов наклона планшайбы на секундном лимбе | 1 с |
| Точность установки угла наклона планшайбы | 12 с |
| Упоры точной установки планшайбы в горизонтальное и вертикальное положение | есть |
| Перемещение планшайбы в плоскости поворота | ручное |
| Перемещение планшайбы в плоскости наклона | электромеханическое и ручное |
| Закрепление планшайбы в плоскости поворота | ручное |
| Закрепление планшайбы в плоскости наклона | ручное |
Описание
Стол поворотный делительный с индуктивной системой отсчета 7400-0266применяется в качестве установочного приспособления к координатно-расточным станкам. С помощью этого стола выполняются следующие работы: расточка отверстий, размеры между которыми заданы в полярной системе координат, а также расточка наклонных и взаимно перпендикулярных отверстий; сверление, чистовое фрезерование, разметка и измерение.
Технические характеристики:
- диаметр планшайбы: 500 мм
- число Т-образных радиальных пазов: 8
- ширина Т-образных пазов: 18Н9 мм
- наибольший диаметр сверления: 12 мм
- наибольшая допустимая масса обрабатываемой детали: 100 кг
- цена деления отсчета углов поворота планшайбы на минутном лимбе: 2 мин
- цена деления отсчета углов поворота планшайбы на секундном лимбе: 1 с
- цена деления отсчета углов поворота планшайбы на планшайбе: 1 град.
- точность углового позиционирования планшайбы стола: 10 с
- наибольший угол поворота планшайбы: 360 град.
- длина: 795 мм
- ширина: 920 мм
- высота: 320 мм
- масса: 450 кг
- наибольший угол наклона планшайбы: 90 град.
- расстояние от основания стола до оси планшайбы (при ее наклоне на 90 град.): 255 мм
- цена деления отсчета углов наклона планшайбы на лимбе грубого отсчета: 1 град.
- цена деления отсчета углов наклона планшайбы на минутном лимбе: 2 мин
- цена деления отсчета углов наклона планшайбы на секундном лимбе: 1 с
- точность установки угла наклона планшайбы: 12 с
- упоры точной установки планшайбы в горизонтальное и вертикальное положение: есть
- перемещение планшайбы в плоскости поворота: ручное
- перемещение планшайбы в плоскости наклона: электромеханическое и ручное
- закрепление планшайбы в плоскости поворота: ручное
- закрепление планшайбы в плоскости наклона: ручное
Характеристики
| Масса, кг | 450 кг |
| Длина, мм | 795 мм |
| Ширина, мм | 920 мм |
| Высота, мм | 320 мм |
| Число Т-образных радиальных пазов | 8 |
| Ширина Т-образных пазов, мм | 18Н9 мм |
| Наибольший диаметр сверления, мм | 12 мм |
| наибольшая допустимая масса обрабатываемой детали | 100 кг |
| Цена деления отсчета углов поворота планшайбы на минутном лимбе | 2 мин |
| Точность углового позиционирования планшайбы стола | 10 с |
| Диаметр рабочей поверхности планшайбы | 500 мм |
| Цена деления отсчета углов поворота планшайбы на планшайбе | 1 град. |
| Наибольший угол поворота планшайбы | 360 град. |
| Наибольший угол наклона планшайбы | 90 град. |
| Расстояние от основания стола до оси планшайбы (при ее наклоне на 90 град.) | 255 мм |
| Цена деления отсчета углов наклона планшайбы на лимбе грубого отсчета | 1 град. |
| Цена деления отсчета углов наклона планшайбы на минутном лимбе | 2 мин |
| Цена деления отсчета углов наклона планшайбы на секундном лимбе | 1 с |
| Точность установки угла наклона планшайбы | 12 с |
| Упоры точной установки планшайбы в горизонтальное и вертикальное положение | есть |
| Перемещение планшайбы в плоскости поворота | ручное |
| Перемещение планшайбы в плоскости наклона | электромеханическое и ручное |
| Закрепление планшайбы в плоскости поворота | ручное |
| Закрепление планшайбы в плоскости наклона | ручное |




