Пневмодроссель с обратным клапаном П-ДК 16-1
Оставить отзывОписание
Пневмодроссели П-ДК (Г-ДК) с обратным клапаном предназначены для регулирования расхода сжатого воздуха давлением от 0,1 до 1,0 МПа в одном направлении и обеспечения свободного прохода воздуха в обратном направлении в пневматических системах управления и приводах.
Технические характеристики:
|
Параметры, единицы измерения |
Значения |
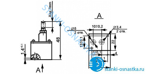
| Условный проход, мм | 16 |
| Пропускная способность Kv через открытый дроссель при закрытом обратном клапане не менее, м3/ч | 2 |
| Пропускная способность Kv через открытый обратный клапан при закрытом дросселе не менее, м3/ч | 2,8 |
| Диапазон рабочих давлений, МПа | 0,1-1 |
| Присоединение: исп.1 / исп.2 | G1/2-A / К1/2 |
| Масса, кг | 0,06 |
Устройство и работа
Пневмо дроссель с обратным клапаном состоит из обратного клапана в виде незакрепленной мембраны и дроссельной пары, включающей цилиндрическое отверстие во втулке и конус регулировочного винта.
При подаче сжатого воздуха в присоединительное отверстие "1" мембрана под действием давления перекрывает свободный проход в присоединительное отверстие с маркировкой "2", в которое воздух попадает через регулируемый зазор в дроссельной паре.
При обратном потоке мембрана под действием давления воздуха прогибается и пропускает основной поток воздуха к отверстию "1". При этом небольшое количество воздуха проходит также и через зазор в дроссельной паре.
Указания по эксплуатации
Пневмодроссели предназначены для работы на сжатом воздухе, очищенном не грубее 10 класса загрязненности по ГОСТ17433-80.




