Тиски станочные неповоротные 7200-0203-16 (80мм) чугун, Бар.
Оставить отзыв| Масса, кг | 3 кг |
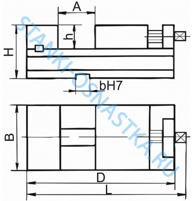
| A, мм | 80 мм |
| L, мм | 333 мм |
| H, мм | 55 мм |
| h, мм | 25 мм |
| S, мм | 110 мм |
| Ширина губок, мм | 80 мм |
| Усилие зажима, даН (кгс) | 300 |
| Класс точности | Н |
Описание
Тиски станочные неповоротные с ручным приводом 7200-0203-16 предназначены для закрепления заготовок при механической обработке на металлорежущих станках. Корпусные детали тисков изготавливаются из чугуна. Крепление тисков на столе станка осуществляется с помощью болтов.
Технические характеристики:
| Параметры, единицы измерения | 7200-0203-16 |
|---|---|
| Масса, кг | 3 |
| Ширина губок В, мм | 80 |
| A, мм | 80 |
| L, мм | 333 |
| Н, мм | 55 |
| h, мм | 25 |
| S, мм | 110 |
| Усилие зажима, даН | 300 |
| Класс точности | Н |
Характеристики
| Масса, кг | 3 кг |
| A, мм | 80 мм |
| L, мм | 333 мм |
| H, мм | 55 мм |
| h, мм | 25 мм |
| S, мм | 110 мм |
| Ширина губок, мм | 80 мм |
| Усилие зажима, даН (кгс) | 300 |
| Класс точности | Н |
Тиски станочные неповоротные 7200-0203-16 (80мм) чугун, Бар. отзывы
Об этом товаре отзывов пока нет. Будьте первым!




