Стол поворотный 7400-0263 Ф250мм
Оставить отзыв| Масса, кг | 110 кг |
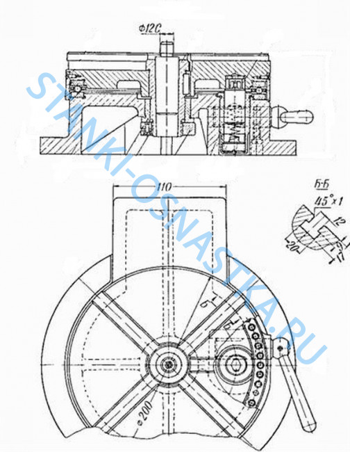
| Диаметр рабочей поверхности планшайбы | 250 мм |
| Упоры точной установки в горизонтальное и вертикальное положение планшайбы | Есть |
| Перемещение планшайбы | Ручное |
| Максимально допустимая масса обрабатываемой детали, кг | 20 |
| Габариты, (длина*ширина*высота), мм | 490х465х200 |
| Класс точности | С |
Описание
Технические характеристики:
|
Параметры, единицы измерения |
Значения |
| Диаметр рабочей поверхности планшайбы, мм | 250 |
| Упоры точной установки в горизонтальное и вертикальное положение планшайбы | есть |
| Перемещение планшайбы | ручное |
| Максимально допустимая масса обрабатываемой детали, кг | 20 |
| Габариты, (длина*ширина*высота), мм | 490х465х200 |
| Масса стола, кг | 110 |
| Класс точности | С |
Характеристики
| Масса, кг | 110 кг |
| Диаметр рабочей поверхности планшайбы | 250 мм |
| Упоры точной установки в горизонтальное и вертикальное положение планшайбы | Есть |
| Перемещение планшайбы | Ручное |
| Максимально допустимая масса обрабатываемой детали, кг | 20 |
| Габариты, (длина*ширина*высота), мм | 490х465х200 |
| Класс точности | С |
Стол поворотный 7400-0263 Ф250мм отзывы
Об этом товаре отзывов пока нет. Будьте первым!




