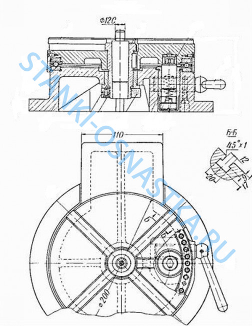
Стол поворотный 7400-0225 ф400мм
Оставить отзывОписание
Технические характеристики:
|
Параметры, единицы измерения |
Значения |
| Диаметр планшайбы, мм | 400 |
Характеристики
| Диаметр планшайбы A | 400 |
Стол поворотный 7400-0225 ф400мм отзывы
Об этом товаре отзывов пока нет. Будьте первым!




