Рейки к патрону БелТАПАЗ С7100-0032.009 ф200 компл 3шт. (ТУ РБ 500047867.015-2003)
Оставить отзыв| Высота виброопоры H, мм | 44.44 мм |
| G, мм | 32 мм |
| H, мм | 35 мм |
| Диаметр патрона, мм | 200 мм |
| А. мм | 7,94 мм |
| E, мм | 77,5 мм |
| F, мм | 28 мм |
| Шаг S, мм | 8 мм |
| J, мм | 12,675 мм |
| N, мм | 16 мм |
| М, мм | M10 |
| B, мм | 10 мм |
| С, мм | 8,5 мм |
| D, мм | 3 мм |
| P, мм | 7 мм |
Описание
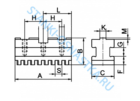
Рейка патрона С 7100-0032.009- часть кулачка, на который закрепляется накладной кулачок. Такие кулачки часто называют сборными, предполагая комбинацию рейка+накладной кулачек.
Технические характеристики:
- диаметр патрона: 200 мм
- A: 7,94 мм
- B: 10 мм
- C: 8,5 мм
- D: 3 мм
- E: 77,5 мм
- F: 28 мм
- G: 32 мм
- H: 35 мм
- J: 12,675 мм
- M: M10
- N: 16 мм
- H: 44,44 мм
- P: 7 мм
- шаг S: 8 мм
Характеристики
| Высота виброопоры H, мм | 44.44 мм |
| G, мм | 32 мм |
| H, мм | 35 мм |
| Диаметр патрона, мм | 200 мм |
| А. мм | 7,94 мм |
| E, мм | 77,5 мм |
| F, мм | 28 мм |
| Шаг S, мм | 8 мм |
| J, мм | 12,675 мм |
| N, мм | 16 мм |
| М, мм | M10 |
| B, мм | 10 мм |
| С, мм | 8,5 мм |
| D, мм | 3 мм |
| P, мм | 7 мм |
Рейки к патрону БелТАПАЗ С7100-0032.009 ф200 компл 3шт. (ТУ РБ 500047867.015-2003) отзывы
Об этом товаре отзывов пока нет. Будьте первым!




