Пресс КЕ 2130(2330)
Оставить отзывОписание
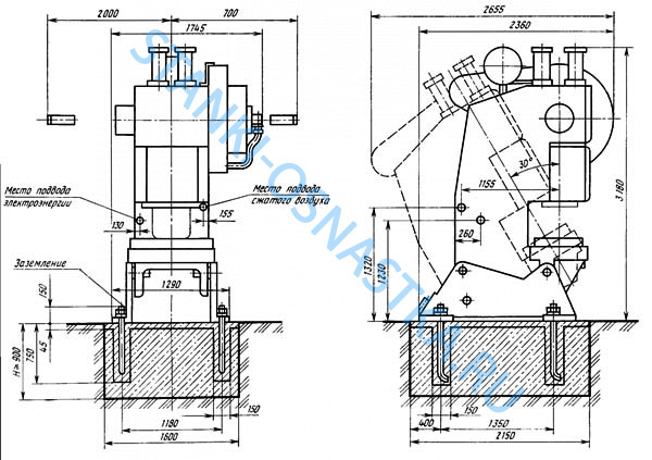
Пресс однокривошипный простого действия открытый не наклоняемый КЕ2130(2330) рассчитан на выполнение холодноштамповочных операций: листовой и объемной штамповки, гибки, неглубокой вытяжки, пробивки отверстий различных конфигураций, вырубки, формовки и пр. Его используют в крупно-, мелко- и среднесерийном производстве во всех отраслях машиностроения, а также в электро-, радиотехнической, и других отраслях промышленности.
Такое устройство может работать в трех режимах:
- непрерывного хода;
- одиночного хода;
- ручного поворота.
Кривошипный пресс КЕ2130(2330) состоит из чугунной, открытого типа станины С-образной формы. Она отлита вместе со столом и может наклоняться. В ее стойках имеются окна и специальные места, предназначенные для установки съемных и подающих устройств, а также их приводов.
Чугунный, литой, коробчатой формы ползун перемещается в специальных регулирующих направляющих станины. Регулировка хода ползуна и межцентрового вала осуществляется вручную. Для упрощения крепления верхней части штампа в ползуне предусмотрен специальных зажимной сухарь.
С помощью жестких выталкивателей производится удаление готовых деталей из верхней части штампа. Ползун уравновешивается пневматическими уравновешителями. Ориентировка ползуна в станине осуществляется двумя клиновыми направляющими. С помощью специальной планки-выталкивателя производится выброс ползуна из верхней части штампа.

Технические характеристики пресса КЕ2130(2330)
| Показатель | Единицы измерения | Значение |
|---|---|---|
| Номинальное усилие | кН | 630 |
| Размеры стола | мм | 480 х 710 |
| Частота непрерывных ходов ползуна | мин-1 | 90 |
| Ход ползуна | мм | 100 |
| Мощность двигателя | кВт | 8,3 |
| Габариты оборудования | мм | 1500 х 1800 х 3020 |
| Масса | кг | 7000 |
Компания «Станочная Оснастка» предлагает заказать по выгодной, для клиентов, цене кривошипный пресс КЕ2130(2330). Обращайтесь в наши филиалы в Москве, Санкт-Петербурге, Ростове-на-Дону Новосибирске, Екатеринбурге, Новосибирске, Красноярске, Нижнем Новгороде, Челябинске. Консультанты окажут всеобъемлющую помощью в выборе модели кузнечнопрессового оборудования, а также подберут нужную вам оснастку и комплектующие.




