Головка электромеханическая ЭМЗ 7921-0003
Оставить отзыв| Подвод электропроводов | разъемы 2РТ326.ПН8Ш14 |
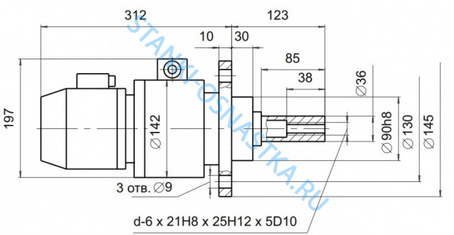
| Длина до торца монтажного фланца, не более | 312 мм |
| Масса головки, не более | 16.6 кг |
| Контроль крутящего момента | микровыключатель |
| Частота вращения электродвигателя мин-1 | 3000 |
| Мощность электродвигателя, кВт | 0.25 кВт |
| Масло для смазки | ЦИАТИМ-201 |
| Тип электродвигателя | АИР 56.В2Т3, 1М3681 |
| Напряжение, В | 380 В |
| Частота тока, Гц | 50 Гц |
| Род тока питающей сети | переменный трехфазный |
| Время зажима, с | 5 с |
| Направление вращения выходного вала | левое |
| Частота вращения выходного вала мин-1 | 56±5 |
| Максимальный крутящий момент | 60 Нм |
Описание
Головка электромеханическая ЭМЗ 7921-0003 предназначена, преимущественно, для механизированного зажима инструмента в шпинделях фрезерных станков, а также может быть применена в качестве привода с односторонним вращением выходного вала, для получения малого числа оборотов исполнительного механизма при максимальном крутящем моменте.
В конструкции головки после отключения электродвигателя предусмотрено автоматическое разъединение редуктора и электродвигателя с выходным ведомым валом, причем ведомый вал головки после отключения электродвигателя может вращаться совместно с исполнительным механизмом с частотой вращения до 3000 об/мин. Направление вращения выходного ведомого вала – одностороннее (левое). Род тока питающей сети - переменный трехфазный.
Возможно изготовление головок с правосторонним или двухсторонним вращением, а также с меньшим крутящим моментом за счет замены количества пружин или диаметра проволоки пружин.
Технические характеристики:
| Наименование | Единицы измерения | Значение |
|---|---|---|
| Максимальный крутящий момент | Нм | 60 |
| Частота вращения выходного вала | мин | 56±5 |
| Направление вращения выходного вала | - | левое |
| Время зажима | c | 5 |
| Род тока питающей сети | - | переменный трехфазный |
| Частота тока | Гц | 50 |
| Напряжение | В | 380 |
| Длина до торца монтажного фланца, не более | мм | 312 |
| Подвод электропроводов | - | разъемы 2РТ326.ПН8Ш14 |
| Электродвигатель | - | АИР 56.В2Т3, 1М3681 |
| Марка масла для смазки головки | - | ЦИАТИМ-201 |
| Мощность электродвигателя | кВт | 0.25 |
| Частота вращения электродвигателя | мин | 3000 |
| Контроль крутящего момента | - | микровыключатель |
| Масса головки, не более | кг | 16.6 |
Параметры:

Характеристики
| Подвод электропроводов | разъемы 2РТ326.ПН8Ш14 |
| Длина до торца монтажного фланца, не более | 312 мм |
| Масса головки, не более | 16.6 кг |
| Контроль крутящего момента | микровыключатель |
| Частота вращения электродвигателя мин-1 | 3000 |
| Мощность электродвигателя, кВт | 0.25 кВт |
| Масло для смазки | ЦИАТИМ-201 |
| Тип электродвигателя | АИР 56.В2Т3, 1М3681 |
| Напряжение, В | 380 В |
| Частота тока, Гц | 50 Гц |
| Род тока питающей сети | переменный трехфазный |
| Время зажима, с | 5 с |
| Направление вращения выходного вала | левое |
| Частота вращения выходного вала мин-1 | 56±5 |
| Максимальный крутящий момент | 60 Нм |




