Головка электромеханическая ЭМГ-53
Оставить отзыв| Крутящий момент (регулируемое) статический | 50-100 Н*м |
| Масса, кг | не более 18 кг |
| Габарит (диаметр х длина до торца монтажного фланца), мм | 130 × 630 |
| Частота включений в минуту | не более 2 |
| Скорость продольного хода штока (расчетная), при частоте тока 60Гц | 84 (1,4) мин-1 |
| Скорость продольного хода штока (расчетная), при частоте тока 50Гц | 70 (1,17) мин-1 |
Описание
Головка электромеханическая ЭМГ-53
Для полноценной работы фрезерных, расточных и других видов станков необходимо обеспечивать оборудование качественными комплектующими. Одним из наиболее важных элементов является головка электромеханическая ЭМГ-53.
Назначение ЭМГ
Деталь используется для механизированного зажима инструмента, при этом электромеханические головки применяются не только в станках. Запчасть также предназначена для привода кулачков токарных патронов, изменения положения пинолей задних бабок. Купить ЭМГ-53 стоит как для обновления в случае поломок или износа, так и для модернизации механизма какого-либо устройства.
Принцип работы и характеристики
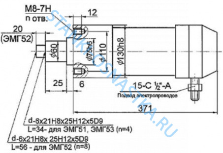
Электромеханическая головка ЭМГ-53 имеет цилиндрическую форму с диаметром 130 мм. Обеспечена встроенным электродвигателем и специальными щетками для подвода электроэнергии.
Устанавливается на шпинделе станка с помощью переходного фланца, за счет которого проводится вращение запчасти. ЭМГ-53 отличаются динамической балансировкой, максимальный дисбаланс 30 г/м*с.
Меры безопасности
Головка электромеханическая ЭМГ-53 выполняется из износоустойчивых материалов, характеризующихся высокой прочностью. Благодаря этому детали рассчитаны на длительный срок службы. Изделия устойчивы к влаге, перепадам температур, ударам и иным механическим воздействиям.
Тем не менее перед тем, как ввести запчасть в эксплуатацию, важно осмотреть комплектующее на предмет трещин и иных деформаций. После установки на станок необходимо тщательно проверить надежность крепления до того, как на устройство будет подан ток и начата работа по металлу. Визуальный осмотр и проверка фиксации проводятся с целью снижения риска травматизма и поломок оборудования.
Где купить головку ЭМГ-53
Выбрать и заказать электромеханическую головку ЭМГ-53 для своего станка можно в компании «Станочная Оснастка». Наличие комплектующих указано в каталоге, возможна доставка по России и в СНГ.
Технические характеристики:
| Параметры, единицы измерения | Головка ЭМГ-53 |
|---|---|
| крутящий момент (регулируемое) статический | 50-100 Н*м |
| частота вращения выходного вала (расчетная), при частоте тока 50Гц | 70 (1,17) мин-1 |
| частота вращения выходного вала (расчетная), при частоте тока 60Гц | 84 (1,4) мин-1 |
| частота включений в минуту, не более | 2 |
| габарит (диаметр х длина до торца монтажного фланца) | 130x630 |
| масса, не более | 18 кг |
Характеристики
| Крутящий момент (регулируемое) статический | 50-100 Н*м |
| Масса, кг | не более 18 кг |
| Габарит (диаметр х длина до торца монтажного фланца), мм | 130 × 630 |
| Частота включений в минуту | не более 2 |
| Скорость продольного хода штока (расчетная), при частоте тока 60Гц | 84 (1,4) мин-1 |
| Скорость продольного хода штока (расчетная), при частоте тока 50Гц | 70 (1,17) мин-1 |




