Головка электромеханическая ЭМГ-50
Оставить отзыв| Масса, кг | не более 21 кг |
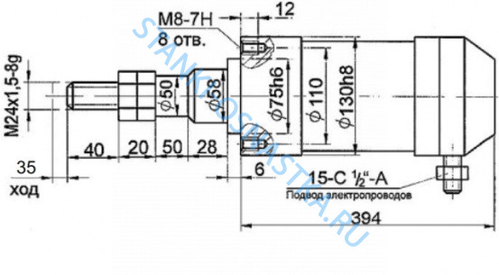
| Габарит (диаметр х длина до торца монтажного фланца), мм | 130 × 408 |
| Частота включений в минуту | не более 2 |
| Ход штока | не менее 45 мм |
| Скорость продольного хода штока (расчетная), при частоте тока 60Гц | 450 мм/мин |
| Скорость продольного хода штока (расчетная), при частоте тока 50Гц | 375 мм/мин |
| Тяговое усилие (регулируемое) | 15-45 кН |
Описание
Головка электромеханическая ЭМГ-50
Для полноценной работы фрезерных, расточных и других видов станков необходимо обеспечивать оборудование качественными комплектующими. Одним из наиболее важных элементов является головка электромеханическая ЭМГ-50.
Назначение ЭМГ
Деталь используется для механизированного зажима инструмента, при этом электромеханические головки применяются не только в станках. Запчасть также предназначена для привода кулачков токарных патронов, изменения положения пинолей задних бабок. Купить ЭМГ-50 стоит как для обновления в случае поломок или износа, так и для модернизации механизма какого-либо устройства.
Принцип работы и характеристики
Электромеханическая головка ЭМГ-50 имеет цилиндрическую форму с диаметром 130 мм. Обеспечена встроенным электродвигателем и специальными щетками для подвода электроэнергии.
Устанавливается на шпинделе станка с помощью переходного фланца, за счет которого проводится вращение запчасти. ЭМГ-50 отличаются динамической балансировкой, максимальный дисбаланс 30 г/м*с.
Меры безопасности
Головка электромеханическая ЭМГ-50 выполняется из износоустойчивых материалов, характеризующихся высокой прочностью. Благодаря этому детали рассчитаны на длительный срок службы. Изделия устойчивы к влаге, перепадам температур, ударам и иным механическим воздействиям.
Тем не менее перед тем, как ввести запчасть в эксплуатацию, важно осмотреть комплектующее на предмет трещин и иных деформаций. После установки на станок необходимо тщательно проверить надежность крепления до того, как на устройство будет подан ток и начата работа по металлу. Визуальный осмотр и проверка фиксации проводятся с целью снижения риска травматизма и поломок оборудования.
Где купить головку ЭМГ-50
Выбрать и заказать электромеханическую головку ЭМГ-50 для своего станка можно в компании «Станочная Оснастка». Наличие комплектующих указано в каталоге, возможна доставка по России и в СНГ.
Технические характеристики:
| Параметры, единицы измерения | Головка ЭМГ-50 |
|---|---|
| тяговое усилие (регулируемое) | 15-45 кН |
| скорость продольного хода штока (расчетная), при частоте тока 50Гц: | 375 мм/мин |
| скорость продольного хода штока (расчетная), при частоте тока 60Гц | 450 мм/мин |
| ход штока, не менее | 45 мм |
| частота включений в минуту | не более 2 |
| габарит (диаметр х длина до торца монтажного фланца) | 130x408 |
| масса | не более 21 кг |
Характеристики
| Масса, кг | не более 21 кг |
| Габарит (диаметр х длина до торца монтажного фланца), мм | 130 × 408 |
| Частота включений в минуту | не более 2 |
| Ход штока | не менее 45 мм |
| Скорость продольного хода штока (расчетная), при частоте тока 60Гц | 450 мм/мин |
| Скорость продольного хода штока (расчетная), при частоте тока 50Гц | 375 мм/мин |
| Тяговое усилие (регулируемое) | 15-45 кН |





